Toto je starší verze dokumentu!
Obsah
Ukázky repeaterů
Níže jsou praktické ukázky repeaterů včetně seznamu objednaného materiálu a jeho ceny. U 3D tisku je 0,- Kč (předpokládá se, že stavitel má k dispozici 3D tiskárnu a nebo kamaráda s 3D tiskárnou). Jedná se pouze o možnosti, každý si může svůj repeater udělat podle svého a komunita jako autor těchto ukázek nenese odpovědnost za případné poškození nebo škody vzniklé jejich realizací.
Stavět vlastní repeater by měl člověk znalý dané problematiky, elektronicky vzdělaný a mechanicky zručný. Při neopatrném / neodborném zacházení s bateriemi může dojít k jejich vzplanutí!
Low-cost LiPo verze (s 3D tiskárnou):
Fire hazard: 3/5
| Komponenta | Odkaz | Cena |
| Baterie 8000mAh | hadex.cz | 270,- |
| MPPT 6V | hadex.cz | 96,- |
| Solarní nabíječka 1S Li-ion baterií SDBK03TA CN3158 5V | laskakit.cz | 68,- |
| Anténa Gizont | laskakit.cz | 188,- |
| Pigtail U.FL - SMA Female | laskakit.cz | 28,- |
| Krabička Tvojí Mámy (doporučeno tisknout v PETG) | printables.com | 0,- |
| Deska pro xiao do krabičky (doporučeno tisknout v PETG) | printables.com | 0,- |
| XIAO nRF52840 + Wio SX1262 kit (Meshtastic) | seeedstudio.com | 342,- (16.35USD postovne + clo) |
| Solární panel 6V 500mA | gme.cz | 179,- |
| Ochrana nabíjení pod 0C (5A-Metal-NO, 0C) | aliexpress.com | 88,- |
| Ochrana nabíjení nad 45C (5A-Metal-NC, 45C) | aliexpress.com | 43,- |
| Celkem | 1302,- | |
Peníze nejsou problém a chci to nejlepší:
- + Bez bastlení
- + LTO baterie
- + Podpoříte tvůrce z Česka
- - Stojí to pár peněz
Fire hazard: 1/5
| Komponenta | Odkaz | Cena |
| Kompletní node s LTO baterkama | lectronz.com | 3867,- |
| Mikrotik Omni 868MHz | heureka.cz | 993,- |
| Celkem | 4860,- | |
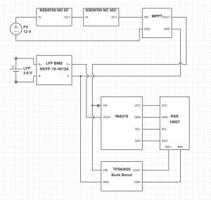
LiFePo zapojení s uart deskou
LiFePo s Rak 19007
Rozpracovaná verze! Momentálně ve fázi testování!
Zdroj: https://t.me/meshcore_cz/112/34761 https://t.me/meshcore_cz/112/33993 https://t.me/meshcore_cz/112/34286
Výstup MPPT je třeba zkontrolovat a nastavit na 3.60V!
| Komponenta | Odkaz | Cena |
| Solární panel 12V | Hadex | 320,- |
| MPPT SD30CRMA (12V verze) | Aliexpress | 125,- |
| Buck boost TPS63020 (4.2V) | Aliexpress | 33,- |
| LiFePo 32Ah | Aliexpress | 367,- |
| BMS pro LiFePo | Aliexpress | 11,- |
| Rak 19007 | store.rakwireless.com | 623,- |
| INA219 | Aliexpress | 14,- |
| Ochrana nabíjení pod 0C (5A-Metal-NO, 0C) | aliexpress.com | 88,- |
| Ochrana nabíjení nad 45C (5A-Metal-NC, 45C) | aliexpress.com | 43,- |
| Krabice SCABOX - 686.207 | heureka.cz | 231,- |
| Celkem | 1857,- | |
-
Fake ptaci budka
- Ano, na fotce zapojení je prohozené + a - pro xiao (jen kvůli konektoru)
- Nevím, jestli bych do toho šel znovu, jelikož budka byla celkem težká, takže umístění na strom bylo celkem náročné
- Myslím si, že by mohla stačit i normální 3D vytisklá krabička nastříkáná na zeleno/hnědo.
| Návod na budku | |
| Držák baterky (3D tisk) | Printables.com |
| Krabice (GEWISS GW44006) | Heureka |
| Baterie (LiPo 3,7V/9000mAh 9090130) | Hadex |
| MPPT (MPPT CN3791 6V) | Hadex |
| Panel (FSP 6V/500mA) | GME |
| Xiao (XIAO nRF52840 & Wio-SX1262 Kit for Meshtastic) | seeedstudio.com |


















